응력집중계수란 무엇일까요?
응력집중계수가 고려된 응력과 단순 손계산으로 계산된 공칭응력의 차이는 어떨까요?
1. 응력집중계수
구조물의 응력집중이란 단면이 급격히 변하는 구멍(hole), 홈(groove), 노치(notch), 필릿(fillet) 부위에서 나타나는 불규칙한 응력분포로 국부적인 큰 응력이 발생하는 현상을 말합니다.
응력집중 현상으로 증폭된 응력 값이 재료의 항복강도를 초과하게 되면 균열이 발생 및 성장하여 구조물의 파괴를 초래하기 됩니다.
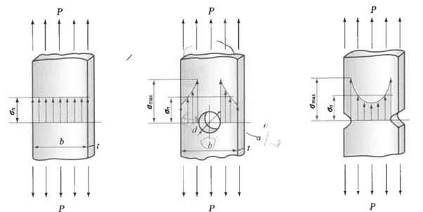
이러한 응력집중의 정도를 나타내는 인자로 응력집중계수를 사용하게 되며 응력집중계수 αk는 공칭응력 σn에 대한 최대응력 σmax의 비로 나타냅니다.

때문에 형상적인 특성이 없는 경우가 아니라면 대부분 계산된 공칭응력에 응력집중계수를 곱하여 실제 응력을 계산하게 됩니다.
구조해석을 통해 도출되는 최대상당응력은 응력집중계수가 모두 고려된 값으로 이해할 수 있습니다.

위 그림 (a)와 같이 단면이 균일한 재료는 공칭응력 σn이 일정하게 분포합니다. 하지만 그림 (b)와 같이 원형 구멍이 있는 경우에는 구멍에 인접한 곳에서 응력집중에 의한 최대응력 σmax가 발생하게 되고, 구멍에서 멀어질수록 공칭응력보다 작은 응력이 분포하게 됩니다.
해당 케이스에서의 공칭응력은 아래와 같이 계산할 수 있습니다.

그림 (b)의 경우에는 응력집중계수 최댓값은 탄성이론에 근거하여 αk=3으로 유도됩니다.

위 그림에서와 같이 응력집중계수는 구멍의 크기와 재료 폭에 따라 변화하여 그 값이 2~3 사이에 존재합니다.
타원의 경우 응력집중이 고려된 최대응력 σmax 아래의 식으로 계산될 수 있습니다.

여기서 c는 장축의 반지름이고, d는 단축의 반지름을 나타냅니다.
또한, 아래 그림처럼 지름이 갑자기 변하는 단붙이축의 경우 비틀림이 작용할 때 필릿이 시작되는 m점 주위에서 응력집중에 의해 전단응력이 크게 증가하는 현상이 나타납니다.

이처럼 단붙이축이 각종 하중이 받을 때 응력집중이 발생하게 되는데, 하중의 종류에 따른 응력집중계수를 표로 나타내면 아래와 같습니다.
(1) 인장을 받는 경우(단붙이축)
(2) 굽힘을 받는 경우
(3) 비틀림을 받는 경우
(4) 인장을 받는경우(홈붙이축)


응력집중계수는 위와 같은 방법인 탄성이론으로 쉽게 구할 수 있지만 그 구조가 복잡해질수록 계산이 어려워집니다.
구조가 복잡해질수록 이론적인 방법에는 제한이 있어 엄밀해에 근접하는 근사해를 구하는 방법으로 수치해석을 이용하게 됩니다.
수치해석적 방법으로 구조해석(유한요소법)을 실시하는 경우가 많으며 경우에 따라 실험을 통해 결과 값을 얻기도 합니다.
2. 응력집중 완화 대책
기계설계에 있어서 응력집중을 완화하는 것은 매우 중요합니다.
기계부품의 파손은 대부분 외부 표면에 작용하는 최대응력에 의해 발생하기 때문에 재료 표면의 응력집중을 완화하여 재료의 수명을 증가시키는 설계 법을 고안할 필요가 있습니다.
일반적으로 응력집중 완화에 도움이 되는 내용은 아래와 같습니다.
(1) 아래 그림처럼 단이 지는 곳 앞에 반원 홈붙이를 추가하거나 라운딩을 주는 방법 그리고 테이퍼를 주어 단면의 변화를 완만하게 하는 것이 도움이 됩니다.

(2) 단면 변화를 여러 개에 걸쳐서 주면, 응력 흐름을 완만하게 하여 응력집중을 감소할 수 있습니다.
(3) 단면이 변화하는 부분에 보강재를 붙이게 되면 응력집중을 감소시킬 수 있습니다.
(4) 피닝, 압연처리, 열처리를 통해 강도를 향상시키거나 연삭 등을 통해 표면거칠기를 좋게 만드는 것도 효과적입니다.
3. 구조계산
문제 1) 직경 D=96 mm, d=80 mm, r=8 mm인 단붙이축에 502,655 N의 인장하중이 작용할 때, 단붙이축에 작용하는 최대응력은 얼마인가?


위 응력집중계수 표를 이용하여 응력집중계수 αk 를 구해보면,

이므로 응력집중계수 αk=1.6임을 알 수 있습니다.
인장하중을 받는 축의 공칭응력은,

입니다. 여기서, 응력집중 계수를 적용하면

따라서, 단붙이축의 표면에 작용하는 최대응력은 160 MPa 임을 알 수 있습니다.
감사합니다.
'구조설계' 카테고리의 다른 글
| 볼트 설계 (2) - 볼트 체결력 고려, 충격하중 작용할 경우 (0) | 2021.05.28 |
|---|---|
| 볼트 설계 (1) - 축하중 비틀림 전단을 받는 경우 (1) | 2021.05.10 |
| 볼트 역학과 체결 토크 계산 (10) | 2021.05.03 |
| 등가응력(equivalent stress)의 이해 (0) | 2021.05.03 |
| 응력 변형률 선도 (Stress strain curve) (0) | 2021.04.21 |
